NEMA17 stepper motor selection guide: Mounting dimensions, applications, selection and problem solving
-
Automation
-
Health & wellness
-
Life environment
-
Automotive
-
Space
25 Feb. 2026
You may often encounter the term “NEMA17” when selecting a stepper motor. NEMA17 is not a model number indicating performance; rather, it is a standard that specifies mounting dimensions. There are a wide variety of products within NEMA17 category, and their capabilities vary significantly depending on the specific model. This article provides a systematic explanation of what the NEMA17 standard entails, the key factors to consider during selection, and how to optimize your choice for various use cases.
- What is NEMA17?
- Stepper motor basics: Essential knowledge for better selection
- Typical applications of NEMA17 stepper motors
- What really matters when selecting a NEMA17 motor
- Common issues when selecting a NEMA17 stepper motor
- When you cannot judge motor suitability based on NEMA size alone
- Overcoming your problems with stepper motors
What is NEMA17?
NEMA17 is a standard specifying physical mounting dimensions with a flange size of approximately 1.7 inches
Much like NEMA23 and other NEMA sizes, NEMA17 refers to standardized dimensions such as flange size and mounting hole positions. These standards are collectively known as NEMA sizes.
NEMA (National Electrical Manufacturers Association) is a U.S. standards organization and stepper motor standards are specifically defined in the publication NEMA ICS 16‑2001. In this context, NEMA17 corresponds to a 1.7-inch (approx. 42 mm) square flange size, ensuring compatibility in mounting dimensions.
NEMA size standards define not only square flange dimensions but also round flange diameter, mounting hole size and position, pilot diameter and depth, and other physical dimensions.
The following table outlines example inch‑based dimensions defined in NEMA ICS 16‑2001, taken from “Table 2 — Shaft number designation” and “Table 4 — Dimensions for mounting flanges for inch dimension motors.”
| NEMA size |
Width and height of square flange (reference) BD Inches |
Max. outside diameter of round flange P Inches |
Nominal pilot diameter N Inches |
Min. and max. pilot depth T Inches |
Diameter of free holes for square flange (Nominal and tolerance) S Inches |
Nominal shaft diameter D Inches |
|---|---|---|---|---|---|---|
| 17 | 1.7 | 2.36 | 0.8661 | 0.03-0.09 | 0.150±0.010 | 0.1969 |
| 23 | 2.3 | 3.21 | 1.5000 | 0.06-0.13 | 0.205±0.010 | 0.2500 |
| 34 | 3.4 | 3.58 | 2.8750 | 0.06-0.13 | 0.220±0.010 | 0.3750 |
| 42 | 4.2 | 6.19 | 2.1875 | 0.06-0.13 | 0.280±0.010 | 0.6250 |
NEMA standard: “Motion/Position Control Motors, Controls and Feedback Devices”
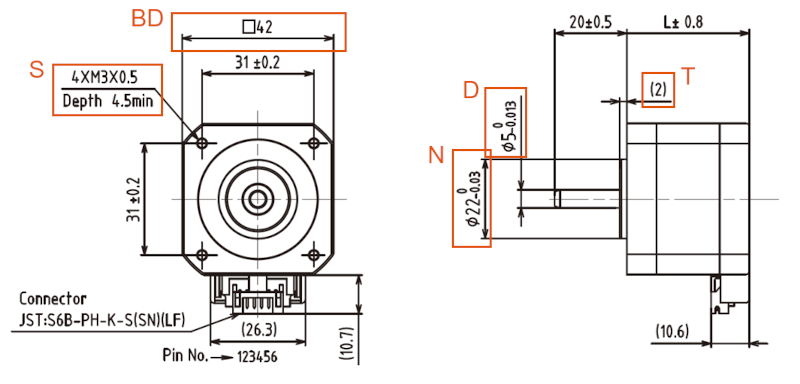
Example of an external view drawing of the ASPINA stepper motor STA-42D series. The elements enclosed in the square are specified by the NEMA standard.
Performance is not defined by NEMA17
It is crucial to understand that NEMA sizes dictate only mounting dimensions, and they do not define performance factors such as torque, electrical characteristics, step angle or motor length. Consequently, performance varies significantly among NEMA17 stepper motors depending on their motor length and winding specifications.
Stepper motor basics: Essential knowledge for better selection
To understand how to properly choose a NEMA17 stepper motor, here is a concise overview of stepper motor fundamentals.
- Operating principle
- Stepper motors rotate in fixed step angles according to pulse signals. For example, a 2‑phase hybrid stepper motor with 1.8° steps rotates 1.8° per pulse. Since 360°/1.8° = 200, it completes one revolution with 200 pulses.
- Classification by rotor structure
- There are three primary types of stepper motors: PM (Permanent Magnet), VR (Variable Reluctance) and HB (Hybrid).
- Classification by coil current path
- Stepper motors are categorized into two types: Unipolar and bipolar
- Drive methods
- Changes to the excitation sequence can vary the motor characteristics to suit different applications. Common methods include driving it in full steps, half steps, or micro steps.
Stepper motors differ from other motor types in the following ways.
- Advantages
-
- Since the angle of rotation is determined by the number of pulses (digital input), controlling the position (angle of rotation) is straightforward.
- These motors are capable of stable rotation at low speeds.
- They can operate using open-loop (non-feedback) position control.
- Excellent ability to remain locked in position when halted.
- Limitations
-
- Requires a dedicated drive circuit.
- Loss of synchronization can occur due to factors such as unexpected changes in load.
- Vibration and noise are relatively high compared to other motor types.
These fundamental elements are essential to understand when selecting the appropriate NEMA17 stepper motor for your application.
Typical applications of NEMA17 stepper motors
NEMA17 stepper motors are widely used in various applications. The following table shows ASPINA’s NEMA17 stepper motor series and typical applications.
| Application | SST42C | STA-42D |
|---|---|---|
| Nozzle and ink head in 3D printer | Yes | |
| Paper feeder and sorter (e.g., banknote, copy paper) | Yes | |
| Tool, nozzle and table in machine tool | Yes | |
| Light and projector in stage/stadium lighting | Yes | |
| Syringe pump | Yes | Yes |
| Arm mechanism in robotic arm, etc. | Yes | |
| Louver in air conditioner | Yes | |
| Solar panel in space satellite | Yes | |
| Valve actuator | Yes | |
| Surveillance camera | Yes | Yes |
| Aperture such as antenna on space satellite | Yes | |
| Sample stage in semiconductor manufacturing equipment or analyzer | Yes |
The information in this table is current as of the publication date of this article.
The most important point is that requirements differ greatly by application. NEMA size alone does not provide sufficient criteria to determine the appropriate motor for a specific project.
ASPINA provides customized stepper motors optimized for specific design requirements, as well as standard (off-the-shelf) stepper motors available in small quantities.
What really matters when selecting a NEMA17 motor
Specifications beyond physical dimensions are critical
To answer the question “Which NEMA17 motor should I choose?”, you must consider not only the NEMA17 physical standard but also performance specifications, such as:
- Torque and speed
- Drive method
- Rated current and voltage
- Shaft length
- Step angle (e.g., 1.8°, 0.9°)
- Motor length
- Special environmental conditions (such as temperature)
- Integrated components (such as gear mounted on the shaft)
- Connector shape and position
Common issues when selecting a NEMA17 stepper motor
When selecting a stepper motor, users often misunderstand the equation “NEMA size equals performance”, or they fail to sufficiently evaluate torque requirements, drive conditions and surrounding specifications. These issues commonly occur with both standard (off‑the‑shelf) and custom motors, leading to inappropriate motors selection.
Below are typical oversights that frequently occur when choosing a motor based solely on a NEMA size such as NEMA17.
Selecting only by flange dimensions and failing to achieve required torque
Motor selection often begins by choosing a NEMA size that matches the flange pitch on the equipment side. However, NEMA size does not represent output performance, and even within the same NEMA size, the available torque range varies greatly depending on the motor’s axial length. Consequently, if the available axial space is limited, you may be unable to find a NEMA17 stepper motor that meets the required torque. This can force an upgrade to a larger NEMA size, necessitating physical modifications to the mounting structure of the equipment.
Inaccurate torque calculation leading to incorrect choices of motor length or drive method
If the required torque is not accurately calculated, the following mismatches can easily occur:
- Even within a NEMA size that should theoretically meet the torque requirements, performance may be inadequate depending on the axial length (motor length) or winding specifications.
- Selecting the wrong step angle or drive method can result in performance characteristics that do not match the application.
These issues apply to both standard (off‑the‑shelf) and custom‑designed stepper motors. Since the essence of motor selection lies in matching the required torque with the motor’s specifications, any mismatch becomes very difficult to correct in later stages of development.
Overlooking compatibility with drive conditions
Motor selection requires not only evaluating the motor itself but also ensuring compatibility with the driver. Common issues include:
- The driver’s drive method does not match the motor winding configuration, preventing the motor from achieving its intended performance.
- Selecting the wrong rated current results in insufficient torque or excessive heat generation.
- The available current capacity of the equipment is insufficient, preventing the motor from being driven as expected.
These issues occur not only when using a standard (off‑the‑shelf) stepper motor but also with custom motors if the drive conditions are incorrectly configured.
Overlooking shaft specifications, mounting requirements and environmental conditions
When the focus is primarily on torque and NEMA size, the following elements may be overlooked until the implementation stage:
- Shaft length or compatibility with gears and other attachments
- Connector shape or orientation interfering with the equipment housing
- Operating temperatures differing from actual use conditions
Although these elements are not directly related to performance, they can lead to serious problems such as an inability to assemble the motor into the device or premature failure after assembly.
Example of torque ranges (pulse frequency: 1000pps) by step angle, NEMA size, winding type, and axial length for ASPINA stepper motors
When you cannot judge motor suitability based on NEMA size alone
In stepper motor selection, many factors such as torque, drive conditions, and mounting specifications interact in complex ways, and these cannot be evaluated based on NEMA size alone. As a result, it is common to encounter challenges during the evaluation process, such as uncertainty about which model meets specific requirements or concerns that NEMA17 may not provide sufficient performance.
These situations are by no means unusual and can occur with both standard (off‑the‑shelf) and custom stepper motors.
One effective solution is to consult specialists who possess in‑depth knowledge of motor technology and can also evaluate the equipment-side requirements and drive control conditions to determine the optimal solution. ASPINA has a comprehensive support system precisely to help customers overcome these types of selection stage challenges.
See ASPINA 2 phase hybrid stepper motor lineup
Overcoming your problems with stepper motors
ASPINA supplies not only standalone stepper motors, but also system products that incorporate drive and control systems as well as mechanical design. These are backed by comprehensive support that extends from prototyping to commercial production and after-sales service.
ASPINA can offer solutions that are tailored to suit the functions and performance demanded by a diverse range of industries, applications, and customer products, as well as your particular production arrangements.
ASPINA supports not only customers who already know their requirements or specifications, but also those who are facing problems at early stages of development.
Do you struggle with the following concerns?
Motor selection
- Don't have detailed specifications or design drawings yet, but need advice on motors?
- Don't have anyone in-house with expertise in motors and can't identify what sort of motor will work best for your new product?
Motor and associated component development
- Want to focus your resources on core technology, and outsource drive systems and motor development?
- Want to save the time and effort of redesigning existing mechanical components when replacing your motor?
Unique requirement
- Need a custom motor for your product, but been declined from your usual vendor?
- Can't find a motor that gives you the control you require, and about to give up hope?
Seeking answers to these problems? Contact ASPINA, we are here to help.
Author: Corporate Strategy Office (ASJ-CS), ASPINA
List of the same series columns
- NEMA stepper motor sizes chart and selection guide
- What does a stepper motor do?
- Applications for blower motor
- What is a blower motor?
- Advantages of brushless DC motors over brushed DC motors
- Features and applications of DC motors
- Is this brushless motor cheap or expensive? - What factors determine its price?
- Different types of DC motor and their respective features
- What is a geared brushless DC motor?
- How does an electronic speed controller for a brushless DC motor work? And what should you consider when you choose the right one?
- Small brushless motors
- Difference between brushed motor and brushless motor
- What are the disadvantages of brushless DC motors? And how can they be overcome?
- Advantages of brushless DC motors: How they differ from brushed DC motors
- What is an actuator?
- How do brushless DC motors work? The need for a drive circuit explained
- Do brushless DC motors require a drive circuit? – Controlling brushless DC motors
- What is a stepper motor?
- What is an electric motor?
- What is a brushless DC motor?
- How are stepper motors controlled? - Speed control of stepper motors
- How do brushed DC motors work? The need for regular maintenance explained
- How are DC motors controlled? - Speed control of DC motors
- Brushless DC motor applications: examples that demonstrate their features
- Stepper motor applications: Examples that demonstrate their features
- Motors designed for easy control: How do stepper motors work?
- What are the differences between brushed and brushless DC motors?
- What is a PSC motor
- What is a servo motor?
- What is a blower?
- What is a DC motor? - features and mechanisms
Contact us for more information
- New inquiry
- Prototype
- Upgrade
- Customization
- Your spec
- Literature
- Support
- Others